Hello,Welcome to Ostandon! Hello,Welcome to Ostandon!

Product Navigation | 中文 | Favorite | Contact Us

Hotline:

+86-25-87781322

Your Location: Home > Product Center > Intelligent Lifting

Contact

Ostandon (Jiangsu) Intelligent Equipment Co., LTD.

Address:8F, Building 4, 109 Software Avenue, Yuhuatai District, Nanjing City, Jiangsu Province, P.R. China

Hotline +86-25-87781322

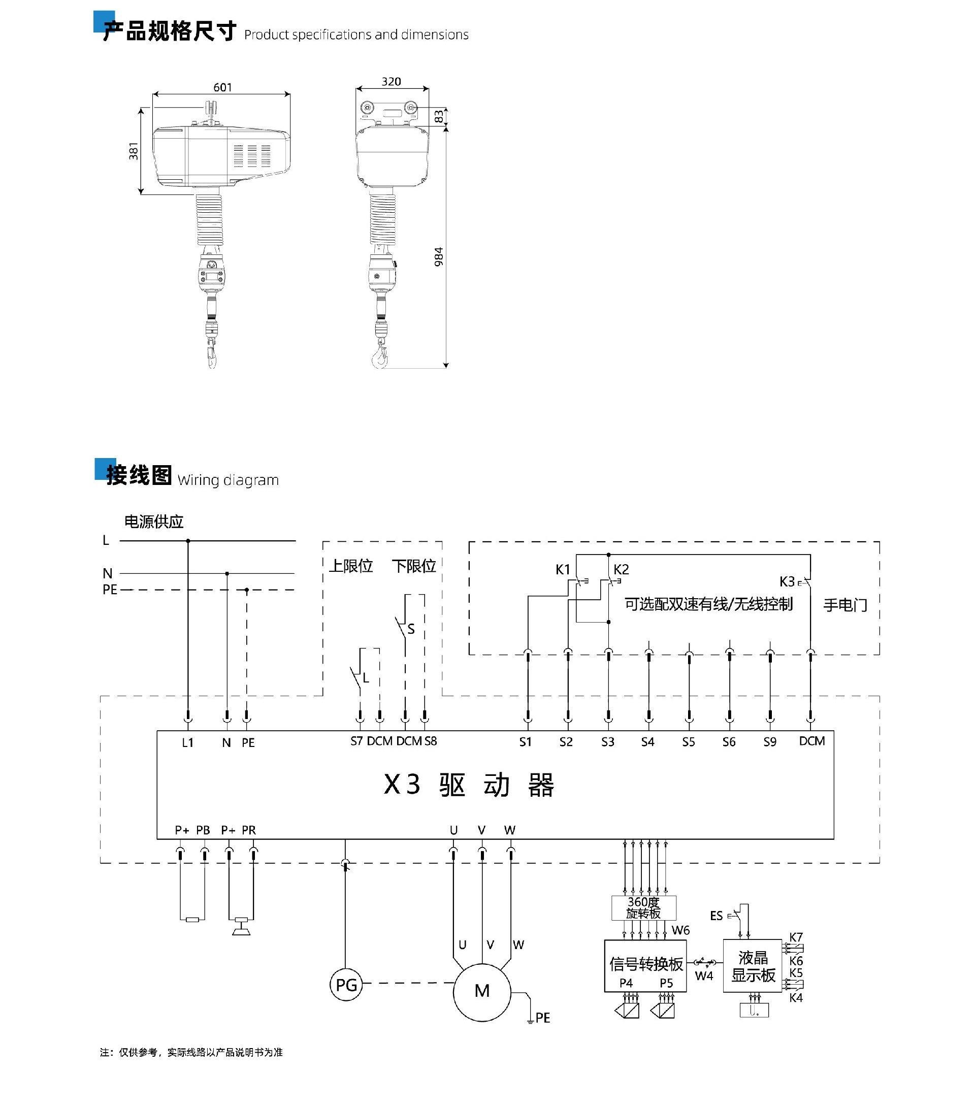
X3 Series Workstation Intelligent Lifting

Date:2024-11-18 View:49